|
|
|
|
|
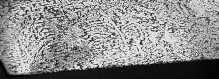
| Schlif (thin, section) |
| after forging |
| July 2003 |
|
| The little example. |
|
|
|
|
|
|
|
|
|
|
|
|
|
|
|
|
|
|
|
|
|
|
|
|
|
|
|
|
|
|
|
| Crucible |
|
|
|
| 115 x 15 x 2 mm |