Damascus steel_ and_Bulat steel ( Wootz steel)










































































































































































































































































































                                                                                More 



Damascus steel_________________ and_________________Bulat steel ( Wootz steel)
If you head holds clear and exact ideas, it is enough to have some primitive tools (means) for their realization.
It's hot after day...
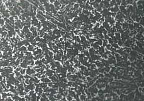
Wootz ingot
You can see a grid of cement carbide
( Fe
3 C )
After etching.
Wootz steel (ingot)
The July 2002
E-MAIL: qasruf7@yahoo.com
setstats 1